浅谈城市轨道交通地铁直流框架保护原理及作用
摘要
关键词
正文
一、框架保护的选择方案
福州地铁二号线采用一套框架泄漏保护装置,包括框架电流一段FP-1、包括框架电流二段FP-2,框架电压保护,上述三种保护装置安装于负极柜中,当发生直流母排对设备外壳放电事故时,会根据故障范围选择性的切断本所进出线柜或本所及临所进出线柜,此时会导致接触网无法得电列车无法运行的现象,快速处理上述故障需要改变供电方式,改变为单边供电或大双边供电使接触网恢复供电。
由于福州地铁2号线上街站安装有再生制动能耗装置,因此上街站安装有两面负极柜。在直流母排上并联再生制动能耗装置,通过逆变装置将列车制动时产生的能量回馈给电网。为防止其直流部分发生正极对框架的泄漏事故,福州地铁2号线在再生制动能耗装置的隔离开关柜和逆变柜上设置一套框架保护装置,但该框架保护只作用于再生制动能耗装置。当该框架保护动作时,只切除再生制动能耗装置,不影响牵引网的正常运行。
二、电压型框架保护
1、电压型框架保护特点
电压型框架保护是采集直流框架对负极之间的电压,当电压升高达到框架电压报警或框架电压跳闸的定值,并达到定值单所设定的延时后,电压型框架保护会启动,本所的直流进线柜、馈线柜、35kV整流变柜全部跳闸,并闭锁本所直流断路器重合闸,故障复归后就地手动复归后才能操作。框架电压保护与钢轨电位限制装置有配合关系,当轨电位装置未动作时方可启动框架电压保护。
2、福州地铁二号线电压型框架保护定值设置
当框架发生泄漏时,如果钢轨对地绝缘非常好,那么流经框架电流检测元件的电流可能达不到80A的整定值,因此设置框架电压保护作为后备保护,用来保护电流型框架。通过电压测量元件检测设备外壳与负极之间的电压值,当电压值U>150V时延时2s报警,当电压值U>170V时延时0.2s跳闸。
3、电压型框架保护原理
如图1电压型框架保护二次原理图所示,电压元件经5C119一端接于设备外壳,另一端经4H120接于大地,测量两者之间的电压。当K9E1、K9G1继电器分别检测到电压大于150V或170V时,继电器吸合,将信号发送给保护装置。
图1 福州地铁2号线电压型框架保护二次原理图
福州地铁2号线电压型框架保护二次逻辑为,当保护装置接收到框架电压保护跳闸的指令时,保护装置会发出联跳本站直流进线柜并闭锁合闸、联跳本站直流馈线柜并闭锁合闸、联跳本站整流机组35kV交流断路器并闭锁合闸。将故障站的直流系统全部切除保障维护人员的安全性。故障排除后需要就地手动复归才能进行操作。
三、电流型框架保护
1、电流型框架保护特点
电压型框架保护是采集直流框架对地之间的电流,当电流升高达到框架电流跳闸的定值时,电流型框架保护会瞬时启动。电流型框架保护根据检测电流位置的不同分为两种,第一种为FP-1,检测的位置是整流器柜、负极柜框架保护,第二种为FP-2,检测的位置是直流开关进线柜、馈线柜、端子柜。当检测到的电流达到设定值,并达到框架一段或框架二段设定延时后,进行相应的逻辑跳闸。
2、福州地铁二号线电压型框架保护定值设置
当监测原件检测到的电流达到设定值,框架一段或框架二段进行相应的逻辑跳闸,框架电流定值如表1所示。
1#框架电流 | IF | 80 | A | 跳闸 |
2#框架电流 | IF | 80 | A | 跳闸 |
表1 电流型框架保护定值设定
3、电流型框架保护原理
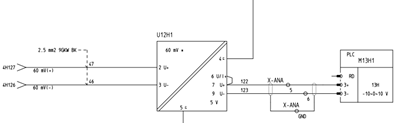
如图2电流1型框架保护二次原理图所示,电流正负极分别经分流器接到4K129、4K128上,经过U12D1测量放大器将信号传输给保护装置PLC。如图3电流2型框架保护二次原理图所示,电流正负极分别经分流器接到4H126、4H127上,经过U12H1测量放大器将信号传输给保护装置PLC。

图2 福州地铁2号线电流1型框架保护二次原理图
图3 福州地铁2号线电流2型框架保护二次原理图
福州地铁2号线电流1型框架保护二次逻辑为,当保护装置接收到框架电流1型保护跳闸的指令时,保护装置会发出联跳本站直流进线柜并闭锁合闸、联跳本站整流机组35kV交流断路器并闭锁合闸。将故障开关柜全部切除,从而保障维护人员的安全性。故障排除后需要就地手动复归才能进行操作。
福州地铁2号线电流2型框架保护二次逻辑为,当保护装置接收到框架电流2型保护跳闸的指令时,保护装置会发出联跳本站直流进线柜并闭锁合闸、联跳本站直流馈线柜并闭锁合闸、联跳本站整流机组35kV交流断路器并闭锁合闸、联跳临站相应开关柜并闭锁合闸。将本站全部直流开关柜、临站部分直流开关柜切除,从而保障维护人员的安全性。故障排除后需要就地手动复归才能进行操作。
四、结束语
框架电压保护和框架电流保护动作都会造成大量直流供电设备跳闸,作为地铁运营中心必须提前做好框架保护的应急处理机制。我们一方面要吸取同行业处理相关故障的经验,另一方面要根据福州地铁的实际设备情况,加强框架保护设备的监测。在日常巡检中,要密切关注设备和电缆的绝缘情况,尤其要做好变电站设备大修时绝缘等级测定工作;加强变电站孔洞的查堵,减少鼠害的发生,以防止异物侵入;严格注意检修作业时现场工具的清空工作,杜绝框架电流外泄造成的人为原因。在电流式框架保护动作时,要第一时间启动应急预案,故障点大致范围要通过变电站电力监控系统提供的信息和现场情况进行判断,漏点要尽快排除,送电要配合调频进行恢复,尽量缩短影响地铁运行的时间,同时确保设备安全。
参考文献:
[1]邓润新.地铁框架保护.科技风,2011.11
...